CBU Mesh Track-Repeater Casambi

  • Rekkeviddeforlengelse av Casambi-systemet

  • Installasjonsmodul

Les mer
Produktnummer: 1033-MESH Sortimentstatus: Bestillingsvare Kategori:
IP20: Innendørs bruk.Isolasjonsklasse 2: Dobbeltisolert og skal ikke kobles til jording.

Produktinfo

BESKRIVELSE

Mesh-repeateren bruker Casambi Bluetooth Low Energy Mesh-nettverket for å utvide rekkevidden.

Dokumentasjon

SPESIFIKASJONER

Produkt

IP-grad

IP20

Farge

Hvit

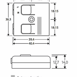
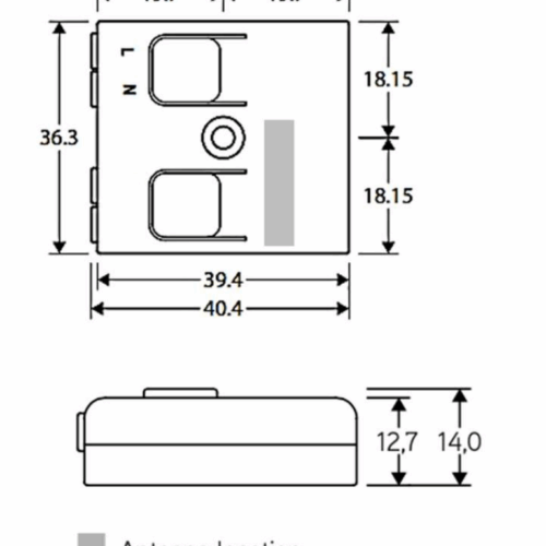
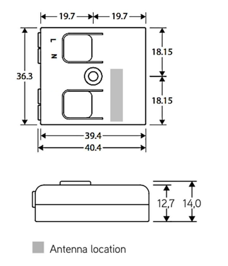
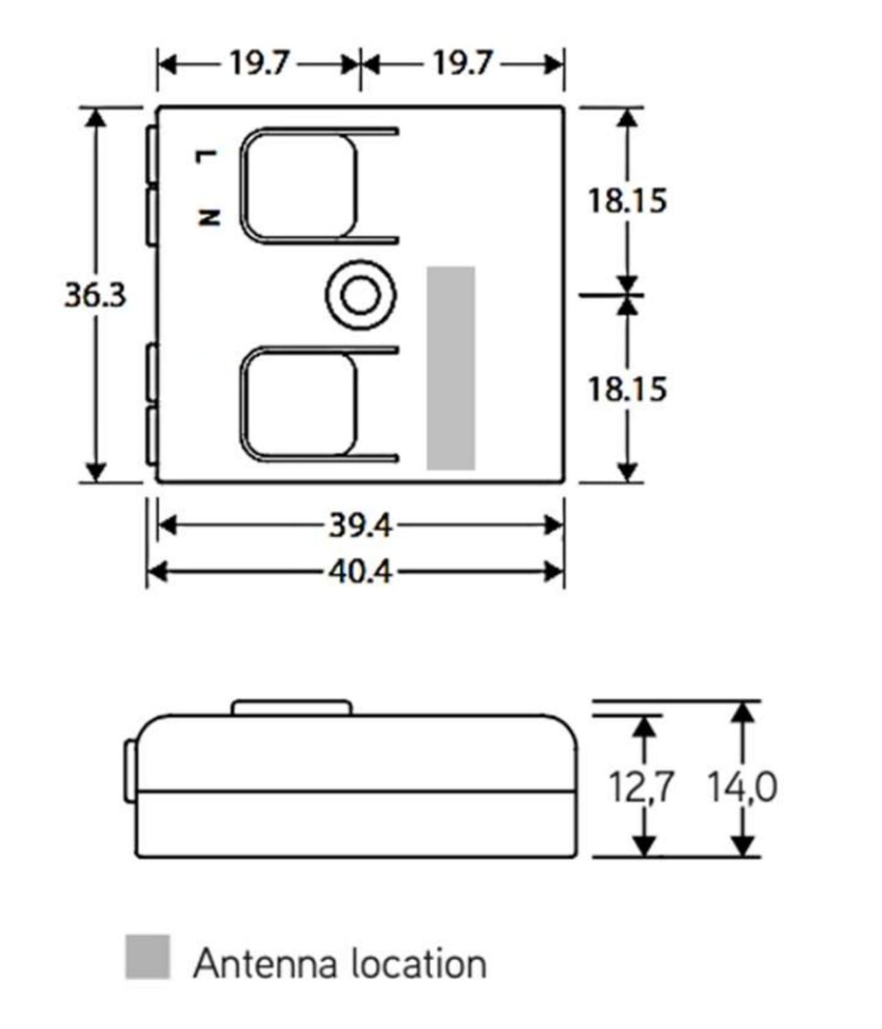
Lengde [mm]

40.4

Bredde [mm]

14

Høyde [mm]

36.3

Vekt [kg]

0.01

Driftstemperatur [°C]

-20 - 45

ELEKTRISK DATA

Dimmetype

Casambi

Spenning [V]

230V 50Hz

Isolasjonsklasse

2